Κιλοβατοωρομετρο Επιτοιχο Ψηφιακο Προπληρωμενης Καρτας 1Φ 10-60Α Ddsy-L10 Ytl
60,22€ 88,04€
- Κατασκευαστής: YTL
- Κωδικός Προϊόντος: 02.037.0021
- Διαθεσιμότητα: 4 (καλέστε μας για περισσότερα τεμάχια) Παράδοση σε 2-5 ημέρες
- Χωρίς ΦΠΑ: 48,56€
Κιλοβατοωρομετρο Επιτοιχο Ψηφιακο Προπληρωμενης Καρτας 1Φ 10-60Α Ddsy-L10 Ytl
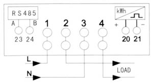
Μετρητές ενέργειας προπληρωμένου χρόνου
Οι μετρητές ενέργειας προπληρωμένου χρόνου χρησιμοποιούνται στις
περιπτώσεις που χρειαζόμαστε τον απόλυτο έλεγχο της κατανάλωσης μας.
Λειτουργούν με την φόρτωση IC κάρτας. Διαθέτουν οθόνη LCD που αναγράφει
τα συνολικά kwh, τα υπόλοιπα διαθέσιμα kwh, σύνολο τελευταίας κατανάλωσης,
ηχητική προειδοποίηση μεγίστου επιτρεπόμενου ορίου προπληρωμένης
κατανάλωσης. Όταν η εναπομείνουσα ενέργεια είναι 0 τότε το ρελέ ανοίγει ώστε
να υπενθυμίσει στον χρήστη να “φορτίσει” την κάρτα. Δυνατότητα σύνδεσης με
RS485 & υπέρυθρες. Στη συσκευασία περιλαμβάνεται μία IC κάρτα.
Οι μετρητές είναι σύμφωνοι με IEC62052-11/IEC6253-21
| ΤΑΣΗ ΛΕΙΤΟΥΡΓΙΑΣ | ΟΝΟΜ. ΤΙΜΗ ΕΝΤΑΣΗΣ Μέγιστο φορτίο | ΠΕΡΙΓΡΑΦΗ |
| 230VAC | 60A | ΜΟΝΟΦΑΣΙΚΟ ΨΗΦΙΑΚΟ |


Πιστοποιητικά : ISO, ROHS, ROHS